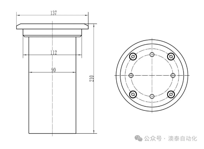
澳泰自動化公司最近推出了一款新型地埋式積水漏電監測終端。這款產品在設計上進行了創新,使其外觀與路面積水檢測終端更為接近。
尺寸互相兼容。同時,新款產品的不銹鋼外殼經過加強,抗壓性能更強大。
澳泰自動化一直致力于為制造業和市政物聯網領域提供高質量的工業儀表和傳感器。
新款地埋式積水漏電監測終端的推出,不僅進一步豐富了我們的產品線,也為客戶提供了更多選擇。
這款新型監測終端的尺寸與路面積水檢測終端相兼容,這意味著客戶可以更靈活地選擇和安裝監測設備,以適應不同的應用場景。
同時,不銹鋼外殼的加強抗壓性能,使得產品更加耐用,能夠適應惡劣的環境條件。
澳泰自動化公司一直秉持著創新、品質和客戶滿意的理念,新款地埋式積水漏電監測終端的推出,再次證明了我們在這一領域的專業能力和領導地位。
感謝您一直以來的關注和支持。我們期待著與您攜手合作,共同推動制造業和市政物聯網領域的發展。如果您對新款地埋式積水漏電監測終端有任何疑問或需要更多信息,請隨時聯系我們。謝謝.



江蘇省南京市建鄴區江東中路300號